Проект стабилизатора GoPro - Arduino Nano: 5 шагов (с изображениями)

Проект стабилизатора GoPro - Arduino Nano: 5 шагов (с изображениями)
Проект стабилизатора GoPro - Arduino Nano: 5 шагов (с изображениями)
Image
Image
Проект стабилизатора GoPro - Arduino Nano
Проект стабилизатора GoPro - Arduino Nano
Проект стабилизатора GoPro - Arduino Nano
Проект стабилизатора GoPro - Arduino Nano

ОБНОВЛЕНО: Редакция 5 - держатель и кронштейн для iPhone 6, 7 и 8

Эта версия включает в себя 2 новые части, включающие iPhone 6, iPhone 7 и iPhone 8. Эти части будут ограничивать вращение по нескольким осям, но, эй, теперь он поддерживает iPhone..

ОБНОВЛЕНО: Редакция 4

Эта версия обеспечивает лучшую стабильность и управляемость, но при этом начинает напоминать «Машину» из фильма «Контакт…»

В этой редакции добавлены две функции:

- добавлены опора и шарнирный подшипник для оси рыскания вместе с измененным кронштейном сервопривода ролика для работы с ним (1 новая печатная часть, одна измененная). Сервопривод рысканья принимал довольно небольшую нагрузку и отклонялся, добавляя довольно небольшую встряску, поэтому эта большая С-образная опора, привязанная к рукоятке с помощью шарнирного подшипника вверху (тот же подшипник 625z, который используется для тангажа), поддерживает выравнивание оси рыскания и убирает неровности и напряжение с сервопривода.

- добавлена кнопка для отключения сервопривода рыскания и его обнуления, что эффективно дает метод наведения камеры там, где вы хотите (рыскание или поворот). Когда кнопка нажата и отпущена (и не выровнена с опорой рыскания), она будет вращать сервопривод, чтобы выровняться с С-образной опорой рыскания. Если сначала выровнять кронштейн ролика с опорой рыскания, а затем нажать и удерживать кнопку, сервопривод рыскания отключится и останется на месте при отпускании.

Я включил исправленный эскиз с кнопкой.

ОБНОВЛЕНО: Редакция 3

Добавлен сервопривод 3-й оси с некоторыми переработанными битами, напечатанными на 3D-принтере. Отредактированные печатные детали также вращают все оси через камеру, обеспечивая более сбалансированную работу. Пытался разработать несколько небольших деталей, чтобы добавить сервопривод к версии R2, но он не понравился, поэтому в итоге получил пересмотренную половину корпуса (снова) и новый кронштейн сервопривода Yaw.

То же программное обеспечение "работает" с некоторыми изменениями; добавьте сервопривод 3 таким же образом, как и два других сервопривода в коде. Хотя это работает, это еще не работает так, как вы ожидали, или, по крайней мере, так, как я ожидал, но это имеет смысл, если вы об этом думаете. Поворот ручки (рыскание) активирует сервопривод рыскания, чтобы все было направлено «вперед», но при повороте на 90 градусов сервоприводы Roll и Twist будут эффективно переключаться. Еще немного кода, чтобы противостоять этому, или придется добавить переключатель для поворота и повторного центрирования сервопривода рыскания вручную. Затем его можно было настроить для получения ожидаемого крена и тангажа.

ОБНОВЛЕНО: Редакция 2

-Переработаны механические компоненты, чтобы исключить "дребезг" с консольной камерой. Измененная геометрия с опорой подшипника напротив сервопривода.

- Предоставлен обновленный скетч, компенсирующий ускорение чипа. Более продвинутая математика теперь почти пригодна для использования. Это код, изначально предоставленный в сообщении woojay.

- Также включает калибровочный эскиз MPU6050, который используется для калибровки чипа. (Спасибо Фрэнку, который предоставил рабочий код в комментариях к этой странице:

После того, как калиброванные значения вставлены в исправленный эскиз, вы почти закончили. Несколько небольших корректировок в конце, и у вас есть начальная точка уровня с хорошим выравниванием.

Это дешевый, сделанный своими руками стабилизатор гироскопа для камеры GoPro. Я хотел собрать что-то подобное вместе, как отдельное устройство с использованием дешевых компонентов. Это было вдохновлено поиском Amazon стабилизаторов Gyro и инструкциями woojay. (https://www.instructables.com/id/Gyro-Stabilizer-W-Arduino-and-Servo/)

Я смоделировал компоненты в Fusion 360 и распечатал пластиковые биты на принтере Prusa i3 MK2 в PLA.

Список деталей:

- Ардуино Нано

- Микросхема MPU 6050 Gyro

- Сервоприводы 9s (развертка 180 градусов)

- AA летучая мышь (x4)

- пружины клемм АКБ и клеммы

- переключатель SPST для работы от батареи

- различные детали, напечатанные на 3D-принтере

Подшипник 625z (кол-во: 2)

Идея состоит в том, чтобы держать цепи и батареи внутри рукоятки, а сервоприводы - вне рукоятки. Таким образом, я могу изменить конструкцию, чтобы в дальнейшем использовать подвесные двигатели.

Шаг 1. Код

ОБНОВЛЕНИЕ 4:

PlaneStabilization3Axis включает кнопку для управления осью рыскания.

ОБНОВИТЬ:

Файл калибровки MPU6050 определит смещения, используемые в файле PlaneStabilization. Небольшая настройка, чтобы найти начальную точку уровня, и теперь ее можно использовать!

Первая часть заключалась в создании прототипа его на макетной плате, и это почти так же, как и в инструкции Woojay's Instructable. Я начал с кода в его ссылке, но обнаружил, что в коде много чего происходит. Я хотел начать с чего-то более простого, с чем-то, с чем я мог бы легко работать и массировать. Я нашел код на сайте MakerBot от Али Хамзы (https://maker.pro/education/diy-constant-current-source-power-supply-circuit) и использовал его в качестве основы.

Обратите внимание, что код woojay будет работать с той же проводкой, но потребуется некоторая настройка. Код из сообщения woojay отлично работает, если он откалиброван и сбалансирован. У него даже есть несколько умных функций: угол наклона 90 градусов заставляет камеру перемещаться вверх или вниз, что позволяет легко сфокусироваться выше или ниже горизонтальной плоскости.

Он использует несколько общих библиотек, например MPU605 и I2CDev. Мне пришлось немного повозиться, чтобы библиотеки загружались и работали, поэтому имейте в виду, что я не лучший ресурс для этой части. Я смог быстро внести изменения в код Али Хамзы и начал его улучшать, чтобы он в основном работал так, как задумано.

Я использовал простую математику, чтобы сгладить ситуацию и убрать дрожь. Я также использую некоторые программные ограничения, чтобы GoPro не наезжал на ручку.

Есть еще кое-что, что нужно сделать, но я очень рад, что это работает так же хорошо, как и с таким маленьким кодом. Добавление еще одного сервопривода для оси z занимает очень мало времени, и часть кода уже готова.

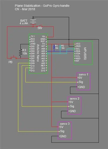
Шаг 2: Подключение

Проводка
Проводка
Проводка
Проводка
Проводка
Проводка

ОБНОВЛЕНИЕ: Ред. 4

Я добавил кнопку управления рысканием, но еще не обновил схему проводки. Он просто включает в себя кнопку с напряжением 5 В на выводе 7 для входа. Ему нужен понижающий резистор для заземления, чтобы вход не был плавающим.

ОБНОВЛЕНИЕ: Ред. 3

Чтобы добавить третий сервопривод, я добавил еще один провод на D9 (PWM) для управления сервоприводом рыскания. Дополнительная мощность и заземление для привода сервопривода - единственные другие изменения для управления третьим сервоприводом.

Я начал с прототипа проводки woojay и в основном переделал его для проводки.

Батарейная половина корпуса подключается к остальной при помощи разъемной клеммы. Сервоприводы подключаются таким же образом с клеммами, подключенными к Nano. Таким образом я могу легко разделить половинки и заменить сервоприводы.

Я подключил аккумулятор к стороне Vin отдельно и запитал микросхему MPU и сервоприводы от контакта 5V на плате. Таким образом сервоприводы получают постоянное питание 5 В независимо от источника питания (батареи или USB).

Клеммы батареи взяты из дешевого держателя батареи и привинчены к месту с помощью небольших винтов, либо машинных, либо саморезов, как в сервоприводах.

Шаг 3: детали, напечатанные на 3D-принтере

ОБНОВЛЕНИЕ 5: запчасти для iPhone

Две части для замены держателя GoPro и кронштейна Roll для GoPro. «Зажим для iPhone» и «iPhone Roll brkt». Все остальные части такие же.

ОБНОВЛЕНИЕ 4:

Кронштейн Yaw R2 заменяет предыдущую опору сервопривода Roll

Опора рыскания - это новый большой С-образный кронштейн, который привинчивается к ручке и содержит подшипник, используемый для поддержки кронштейна рыскания.

ОБНОВЛЕНИЕ: Ред. 3

Кронштейн рысканья и чехол A R3 - это новые детали для добавления третьего сервопривода для рыскания. Дополнительным преимуществом является то, что все сервоприводы теперь действуют через камеру, что помогает сбалансировать вращающийся узел.

ОБНОВЛЕНИЕ: Rev 2

К обновленным частям добавляется R2

Я смоделировал детали в Fusion 360 и распечатал их на Prusa i3 Mk2 из PLA. Использовались опоры. Маленькие пилотные отверстия остаются везде, где я использовал винты

Шаг 4: Сборка

сборка
сборка
сборка
сборка
сборка
сборка

Проводной Nano устанавливается вертикально, при этом USB-порт выходит через нижнюю часть ручки. Затем он вставляется на место и фиксируется в небольших углублениях в ручке, чтобы удерживать его на месте.

Микросхема MPU 6050 вставляется в канавки горизонтально стружкой вверх. Это действительно может произойти как угодно, но вам придется подстроить код под себя.

Сервопривод 1 устанавливается в верхнюю часть корпуса с помощью прилагаемых к нему небольших саморезов. Обратите внимание на ориентацию сервоприводов. Серво 1 имеет проводку, направленную вперед. Ориентация сервопривода 1 важна, поскольку он установлен, как показано, для сохранения зазора с ручкой.

Затем кронштейн сервопривода устанавливается на сервопривод 1. Серво 2 затем устанавливается на кронштейн сервопривода.

Кронштейн GoPro устанавливается на Servo 2 и фиксируется прилагаемыми винтами.

Обратите внимание, что печатные детали, которые крепятся к шлицевым концам сервопривода, не идеальны, даже несмотря на то, что они имеют 21 шлиц. У меня не было точных чертежей рисунка шлицев, поэтому им может потребоваться небольшой толчок, но как только они появятся, они будут больше соответствовать оригинальным рычагам, поставляемым с сервоприводом.

Две половины корпуса скручиваются вместе с помощью 4 маленьких крепежных винтов (я использовал 2-56 x 1/2) или более длинных винтов, поставляемых с сервоприводами.

Зажим GoPro необходимо осторожно открыть, чтобы принять GoPro. После установки он должен оставаться на месте.

Шаг 5: Зажигай

Обновлять:

Обратите внимание на то, как оригинальная конструкция «отскакивает» от консольной массы GoPro. В обновленном дизайне это устранено. Кроме того, обновленный код намного лучше

После того, как вы загрузили и протестировали код (перед сборкой, верно?), Подключите его к USB-кабелю или включите переключатель, чтобы он работал от батареи.

Устройство выполнит быструю самопроверку, в которой сервоприводы поработают небольшой цикл. После этого, мы надеемся, что камера будет близко к уровню, когда вы будете двигаться.

Получайте удовольствие от настройки и дайте нам знать, если вы внесли улучшения!