Бесконечные электронные проблемы для решения

Бесконечные электронные проблемы для решения
Бесконечные электронные проблемы для решения

Мы знаем, что не все, кто любит создавать схемы, хотят с головой погрузиться в базовую электротехнику, благодаря которой все работает. Однако, если вы хотите, сейчас прекрасное время. Многие университеты имеют большую часть или все свои материалы в Интернете, и вы даже можете пройти многие курсы бесплатно. Если вам нужен бесконечный список решенных учебных задач, посмотрите autoCircuits. Это может создать множество различных проблем с электроникой и их решения.

Вы можете получить совершенно случайную схему или выбрать, хотите ли вы сосредоточиться на постоянном, переменном токе, двухпортовых или нескольких других типах проблем. Вы также можете изменить общую форму задачи. Например, для анализа постоянного тока вы можете назначить значения цепи, чтобы ответом было значение, такое как 45 Ом, или вы можете просто использовать символы, чтобы ответ мог быть i4=V1/4R. Вы даже можете выбрать уровень сложности и определенные типы проблем, которых следует избегать. Просто будь быстрым. После того, как сайт сгенерирует проблему, у вас есть 10 секунд, чтобы загрузить его, прежде чем он исчезнет навсегда.

Задачи варьируются от простых к сложным, например, наш первый снимок экрана - простой.

Программа предоставляет решение, но оно довольно простое - вам просто нужно объединить параллельное и последовательное сопротивления. С символическими сопротивлениями значения могли быть такими, как R, 3R и 9R. Или вы можете выбрать нецелые числа, такие как 0,23R, или даже рациональные числа, такие как 22/5, в качестве множителя.

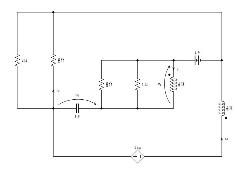
У программы есть еще одна интересная функция: вы можете ввести список соединений SPICE, чтобы подключить свои собственные схемы. Есть некоторые ограничения. Например, у вас может быть только 10 узлов, и существуют некоторые строгие соглашения об именах. Кроме того, все значения компонентов будут выбраны случайным образом.

Для примера функции SPICE попробуйте этот список соединений:

V_1 1 0 ACC_2 1 2. TRAN Решить V(2, 0)

Вывод выглядит как на скриншоте справа, хотя у вас почти наверняка будут другие случайные значения:

Если вам, как и нам, было лень разбираться, вывод также покажет ответ: v 4(t)=(-4.111 cos(9.4 t)- 4,092 сина (9,4 т)). Ага. Вот о чем мы думали.

Было бы здорово, если бы вы еще и преподавали электронику. Вы можете генерировать бесконечное количество домашних заданий или вопросов викторины. [Стефано] предлагает услугу бесплатно и использует программное обеспечение от MATLAB, BLAG и LaTeX, чтобы творить чудеса.

Если вы хотите освежить в памяти Spice и использовать его для анализа, мы были там. Между прочим, первым инструментом анализа, который вы обычно изучаете, является узловой анализ, и это был бы хороший первый шаг к решению подобных проблем.